C2000-S2-DLH31
C2000-S2-DLH31 是一款新型導軌式三相 / 三通道單相智能電能表,采用 4P 模數寬度設計,是集測量、監控、數字通信于一體的多功能監測儀表。
支持頻段 410-525MHz。
它具備三相 / 三通道單機電參數測量、高精度電能計量、數字遠程通信等功能,屬于可靠、多功能、低功耗的監測裝置;內置 LoRa 通信模塊,同時支持 RS485(兼容 DLT 645-2007 協議與 Modbus 協議)通訊功能,可便捷實現無線遠程通信。
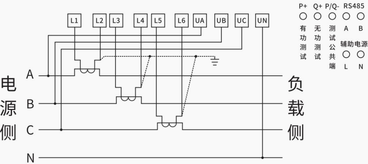
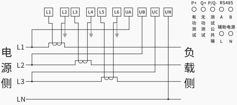
該產品主要應用于能源管理系統、節能監測系統、智能配電箱、配電柜監控計量、電器設備電參數狀態監控等場合,供電方式支持輔助電源或自供電,需搭配外置閉口或開口電流互感器(CT),采用 4P 導軌安裝方式,參考標準為 GB/T 17215.322-2008。
| 全端口過流、過壓、反接、錯接保護,避免因接錯線導致設備損壞 |
| 可實時測量三相及分相的電壓、電流、有功功率、無功功率等電參數 |
| 支持 LoRa 與 RS485 雙傳輸模式,便于遠程通信 |
| 可記錄三相及三通道單相的正反向有功、無功電能,測量精度:有功:1級,無功:2級 |
| 自適應 DL/T645-2007 與 Modbus 協議 |
| 采用 4P 導軌式安裝,操作實用方便 |
| 類別 | 參數項 | 具體規格 |
|---|---|---|
| 電氣參數 | 測量電壓 | 三相:3×220/380V;三通道單相:220V |
| 工作電壓 | 220VAC | |
| 測量電流(互感器接入) | 1.5(10)A | |
| 通信參數 | RS485 通信接口 | 協議:DL/T645-2007 和 Modbus 自適應;波特率:1200-9600(默認 9600) |
| LoRa 通信參數 | 無線頻段:410-525MHz;發射功率:≤20dBm;空曠無遮擋通信距離:2000 米 | |
| 精度參數 | 電參數測量精度 | 電參數:0.5%;有功電能:1 級;無功電能:2 級 |
| 環境參數 | 工作環境 | 工作溫度:-25~55℃;存儲溫度:-40~70℃;相對濕度≤95%(無腐蝕氣體、無凝露);海拔≤4000m |
| 物理參數 | 尺寸 / 安裝方式 | 尺寸:102.4×72×66.5mm;安裝方式:導軌安裝 |

面板下方從左到右分別設有有功脈沖指示燈、無功脈沖指示燈、通信指示燈、LoRa 天線座、查詢按鍵。
通信指示燈用于指示通信狀態:當 LoRa 三相電能表與 LoRa 串口服務器通信,或電表 RS485 接口與外部設備通信時,指示燈會以 1 秒的間隔閃爍。



詳見技術參數內容。




在線客服 QQ 交談
查詢熱線 0755-88865168
天貓旗艦店
京東旗艦店
微信公眾號
在線留言